banner1

高精度无线压力变送器

  • 所属分类:无线传感器
  • 点击次数:
  • 发布日期:2017-04-27
  • 在线询价
详情信息
参数特点
额定量程:0~20kPa…70MPa
精度:0.25%. 0.5%.1%


产品描述  
SDG-WX无线压力变送器是一款电池供电、具有无线通讯功能的仪表,它采用带不锈钢隔离膜片的硅压阻式传感器作为压力测量元件,并使用专用的IC电路对宽温度范围内零点和满度性能补偿。该产品无线信号传输符合Zigbee网络协定。多个产品组成的Zigbee网络系统,可检测大区域范围内的众多监测点实时数据,如煤气柜水封检测、储油罐检测、工业现场自动化控制检测等等。产品应用领域主要有石油、煤炭、自来水、自动化控制等。 

应用领域  
船舶、军工、科研、石油  
化工、冶金、石油、电力、水处理等自动化行业  

特        点  
精度高,实时性强,采样频率高,抗干扰,系统功耗低  
电池寿命长,LCD显示,输出无线信号  
实用按键操作,可现场设置  
具有防震、防潮功能  

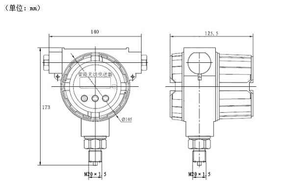
外形尺寸


上一篇:没有了

下一篇:高精度无线液位变送器

郑州正阳视听传媒技术有限公司